Description

- Click Here To Download DKG109 User Manual
📝 Description:
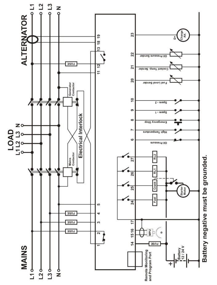
The DKG109 is a compact Auto Mains Failure (AMF) Controller designed for diesel and gas generator sets. It automatically monitors the mains (utility) supply and starts the generator in case of a failure, then transfers the load seamlessly. Once mains return, it switches back and shuts down the genset. Its reliability, cost-effectiveness, and simplicity make it ideal for residential, commercial, and light industrial applications.📖 Technical Details:
-
⚡ Model: DKG109
-
🔄 Function: Automatic Mains Failure (AMF) Control Module
-
🔌 Mains Monitoring: Voltage & Frequency
-
🔋 Generator Monitoring: Voltage, Frequency, Engine status
-
🖥️ Interface: LED indicators for alarms & status
-
🛡️ Protections: Under/Over-voltage, Under/Over-frequency, Generator fail, Start/Stop faults
-
🔧 Inputs/Outputs: Digital I/Os for start, stop, alarms & control
-
🌡️ Operating Temperature: -30°C to +70°C
-
📐 Mounting: Panel-mounted compact module
-
⚖️ Weight: Approx. 0.8 kg
-
🏅 Certifications: CE, ISO, RoHS
-








Reviews
There are no reviews yet.